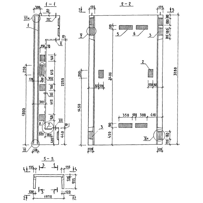
Шахта лифтовая БШЛ 100-12-3 б предназначена для установки в зданиях с целью обеспечения безопасного и эффективного функционирования лифтового оборудования. Изготовлена из высококачественного железобетона, что обеспечивает прочность и долговечность конструкции. Шахта имеет стандартные размеры и габариты, что позволяет легко интегрировать ее в любой проект лифтового оборудования.
Шахта лифтовая БШЛ 100-12-3 б идеально подходит для использования в жилых домах, офисных зданиях, торговых центрах и других сооружениях, где необходимо обеспечить безопасную и надежную работу лифтов. Этот продукт отлично подходит для строительства новых лифтов или реконструкции существующих. Благодаря высокому качеству материала и прочной конструкции, шахта лифтовая БШЛ 100-12-3 б обеспечит долгий срок службы и безопасность пассажиров.









